A12 full counter Crankshaft
Billet A12 Crankshaft
販売終了
フルカウンター クランクシャフト
A12

価格 300.000円 (税別)
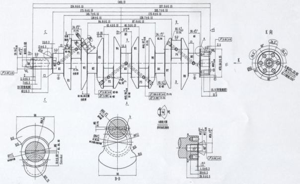
| 鍛造、削り出しから製造された軽量ハイバランス
ウェイト形状! TSサニーA12レース用に設計された究極のフルカウンタークランク 受注生産、納期約2ケ月 |
||
![]() ![]() |
![]() |
![]() |
|||
![]() |
Materials | 4340 |
| The hardness | EN42 | |
| manufacturing | Forging | |
| Weight | 11.4kg | |
| Stroke | 70.0mm | |
| Oil hole | 6.0mm | |
| KEY | One | |
| Conrod | Standard | |
| Flywheel | Standard |
| フルカウンタークランクのメリットは高回転・高出力化と振動低減に有利、デメリットは重量増と製造コスト高。軽量化と剛性UPを両立させるのがレース用クランクシャフト 標準がセミカウンターのA12クランクをフルカウンター化するには重量増しは避けられなかったが、技術の進歩、材質の向上により剛性を損なわずA12標準より僅か800g増のA12フルカウンタークランクシャフト |
|
![]() |
![]() |
|||
| No. | Parts | Number | Price | QTY | Description |
| 1 | BUSHING-crankshift | 32202-1801A | 720 yen | x 1 | . |
| 2 | KEY | 12316-30000 | − | x 2 | . |
| 3 | SHIM-crank sprocket | 12299-18000 | − | x 2 | . |
| 4 | WASHER-packing | 12301-30000 | − | x 1 | . |
| 5 | SPROCKET | 13021-H1010 | − | x 1 | . |
| 6 | THROWER-oil | 12301-30000 | − | x 1 | . |
| 7 | . | . | . | . | . |